Introduction
Early AC50 mark 1 and later large box AC50 mark 2.
The purpose of these pages and this site is to collect together pictures, information, and stories relating to the Vox AC50 amplifier, used by The Beatles, The Stones, and at one time or other by almost every major 1960s British band. Anyone who has seen the recently restored film of the Beatles' concert at the Washington Coliseum in February 1964 will be in no doubt as to how good these amplifiers sound.
The Washington Coliseum, 11th Feb. 1964.
Photos indicate that The Beatles had certainly received their new amps in time for the Christmas Concerts at the Finsbury Park, Astoria (24th December to 11th January). Below, Wimbledon Palais, 14th December, 1963, still the AC30s:
Wimbledon Palais, 14th December, 1963.
The AC30s were evidently used at the Gaumont, Bradford, on 21st December too. See the pic on the Savage Young Beatles site. It is perfectly possible however that the AC50s had already been delivered to the band. Reg Clark, General Sales Manager of JMI, appears to have been confident in mid November 1963 that the new amps would be with the Beatles by the end of that month. See this page.
The new AC50s were supplied first with standard AC30 Super Twin speaker cabinets. Later, probably in the first days of January 1964, these were exchanged for the familiar cabs - full cloth fronts and a Midax horn accompanying the two Celestion blue speakers. It may be that comments from John and George prompted the design of the new units.
Early show - AC30 Super Twin speaker cabinets (one each for John and George) with split front. On the steps Paul's AC80/100 amplifier section and George's AC50.
A later show - both John and George have the new speaker cabinets with full cloth fronts.
The page on The Beatles' early AC50s has recently been updated.
Vox also consigned a set of AC50s (four in total) to the Dave Clark Five. These are first seen in public at the band's residency at the Tottenham Royal in late January / early February 1964.
The Dave Clark Five playing the Tottenham Royal in early February 1964 - four early AC50s on stage. The band was used in early promotional literature for the new amp.
And of course, the JMI publicity machine went to work. A growing selection of adverts and promotional literature on the AC50 is available on this page.
"Melody Maker" magazine, 4th April, 1964. The demonstration was presumably of an early AC50 in a thin-edged box.
Design
The AC50 was brought into being initially with one end in mind: supplying The Beatles with enough power to make themselves heard over legions of screaming fans. John and George were to have 50 watt amps (the AC50), and Paul an 80 watt bass unit - the AC80/100, later the Vox AC100.
The design process began in the summer of 1963 and was well advanced, if not complete, by the autumn of 1963, as an advert published the issue of "Beat Monthly" attests.
Click as ever for a larger image. Note the mention in the advert of "separate amplifier cabinet provides a total output of 50 watts undistorted", indicating that the AC50 was ready or close to being ready.
Although the first schematic for the new amp - OS/044 - bears no date, it seems reasonable to assume that it was drawn up at much the same time as the diagram for the AC80/100, which is dated 26/09/63.
Although 40-50 watt guitar/bass amps had long existed in the States and were well known in the UK - JMI had distributed a half dozen key amplifiers in the Fender range from 1960-1962 - Derek Underdown, head of Research and Design, and Dick Denney, his principal assistant, went their own way.
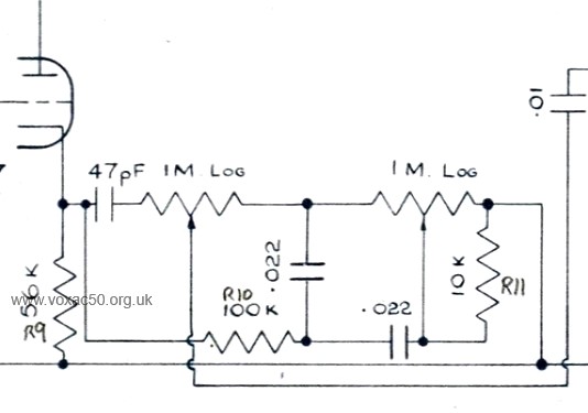
The preamp, designed by Dick, was effectively the Top Boost circuit of the Vox AC30. The power amp, employing a valve rectifier (a GZ34) and two EL34s operating with fixed bias, was the work of Derek, the circuit based on one that he had devised for Jennings Organs in the mid 1950 - see this page for further details. Derek is likely to have been responsible for ensuring that preamp and power section worked efficiently together. Safe to say that despite the occasional reported (phantom) sightings, no cathode biased version of the AC50 has ever come to light. The circuit diagram as published (OS/044) is fixed.
Detail of OS/044.
Above, a detail of the top-boost circuit of the AC30, designed in 1961 - "borrowed" by Dick, as Glen Lambert indicated, from the Gibson Vanguard GA-77.
Manufacture of the early amps (1964 and 1965)
Manufacture was contracted out in the first instance to Triumph Electronics, which was based in Purley, near Croydon, in late 1963 - see this page for a brief overview of the premises. Triumph's owner was Geoff Johnson.
Graham Huggett, who worked at Triumph from 1963 to early 1966 as "chassis beater", made the chassis for AC50s on fly-presses and hand guillotine.
The prototype for the AC50 was sent from Dartford to Purley (Triumph was at 118 and 122 Brighton Road) for copying. Flat masters of the chassis were then made for production.
Initially, around three people worked at Triumph full time. The wirers, mainly women, were part time and trained by Yvonne Andrews.
Control panels (bezels) were sent from JMI for the finished amps. Runs of around 50 chassis were made up on receipt of orders from Dartford.
Graham notes "assuming we had received the transformers from our manufacturer (took some weeks) the staff would easily wire up 15 chassis in a week." Testing was done with a meter, sine wave generator and scope, not with a guitar".
Triumph did not have boxes or serial number plates. The finished chassis were loaded into the back of Geoff Johnson's Ford Zephyr estate - Geoff Johnson was owner of Triumph - and driven by him, often at speed, to JMI.
There the AC50 chassis were made ready for sale: wooden boxes were provided, mains and speaker wires were soldered to the connectors on the back boards, and serial number plates (all hand stamped early on) affixed.
Production from early 1965 - 1968
In order to meet the demand for Vox equipment from America, a new factory was set up in late 1964 / early 1965 in a building owned by Burndept Electronics in Erith. This became known as the "Vox Works", though Burndept still occupied half. The union made sense as Burndept had not only been an early contractor, but was owned, in company with Jennings, by Royston Industries.
Triumph continued to produce AC50s throughout 1965, but broke off in 1966 to concentrate on the Vox 7-series amps and other models. Production at Burndept stepped up exponentially as new orders came in. Some valve rectified AC50s were made there, overlapping with those produced by Triumph. Then, vast numbers of the new solid state rectified AC50s - the AC50 Mark 3 - especially in 1966 and early 1967.
See for instance the examples collected on this page and on this. AC50s made in Erith tend to be more uniform - "production-line" - than those made at Triumph.
THE EARLIEST AC50s
The AC50 mark 1 (first half of 1964) - schematic OS/044
The earliest AC50s: single channel, two inputs, a copper control panel, and a wooden cabinet with thin edges (3/8" baltic ply). Only around one hundred or so of these were made. After a few months, probably around March/April 1964, the design was changed slightly: two more inputs were introduced, arranged in a diamond formation, and the wooden boxes were made thicker (3/4" ply). Around 300 amps were made in this new format. See the pages gathered together here.
Pictures 1 and 2, an early thin-edged two-input AC50. Pictures 3 and 4, a later "diamond-input" amp. Note in the last pic, the two EL34 power valves, and to their right, the smaller and more squat GZ34 rectifier.
Speaker Cabinets
The first purpose-made cabinets were the size of an AC30 Super Twin cabinet but with a full valance front - in effect replicating the arrangement of certain very early Super Twin units:
The Beatles, Olympia, Paris, 15th January, 1964.
Above, the full cloth front of an AC30 Super Twin anachronistically in an advert from 1963. Standard format from early 1962 was a split-front cab.
Below, an example of the format revived in 1966/67 for a batch of Super Twins exported to Germany:
Super Twin speaker cabinet, 1966-1967, currently in Germany. Two other units are known there. Note the new-style plastic logo, centred as in the solid state cabs.
Concerns (probably arising from comments made by John and George of the Beatles) about the power handling of the Celestion blue speakers (15W each) and the AC50's treble response, however, prompted the inclusion of a Goodmans Midax mid-range horn, accommodated by the ingenious means of a cut-out in the one-piece back board. The Midax, rated at 25W - and thus taking some of the strain from the Celestions - was protected from the deeper bass frequencies, which would have blown it in quick order, by a crossover capacitor.
A still from 'A Hard Day's Night' showing the back of the AC50 cab.
Very few of these small-box full cloth front AC50 cabs were made. The photographic record to date attests only to use by The Beatles. The Dave Clark Five evidently used AC30 extension cabs (as The Beatles did too at first).
AC50s for Bass
From early on the AC50 was also envisaged as a bass amp, and could be paired either with T60 cabs or the new 18" Foundation Bass unit.
Foundation Bass cab in the dealer catalogue of 1964.
For further images of bass cabs supplied with AC50s, see the Foundation Bass page.
The AC50 mark 2
Mid 1964 - early 1965.
Twin channel AC50, valve rectified, grey control panel, "large box". Schematic OS/053.
Development of the new amp - the work of Derek and Dick - began in early summer. The advantages of the Mark 2 were its increased tonal range (two channels, Normal and Brilliant), and its larger more robust wooden box with a slider board for the chassis. A few early Mark 2s were sent out in left-over small boxes, however. Around 800 large box valve rectified amps were produced. All had new-style grey control panels. See the pages gathered together here.
Above, a large box AC50 (serial no. 1678), the amp on a slider board inside the cab, the space below for the plug and cables.
Serial number 1411. Standard chassis on its slider board. Three main power valves (the smaller one on the left is the GZ34 rectifier valve).
Early instances of large box AC50s
A great shot of the Searchers at LÃ¥ngshyttan, Sweden, from this page (Gallery 8), 1964, said to be late summer of that year, here. Another photo from the same concert shows Frank Allen on bass - so the event took place in or after August 1964. An early large-box AC50 with two Foundation Bass cabs can be seen at right.
It is possible that The Searchers had a pre-production amp. What looks like a large box AC50 is seen on stage at the "Big Beat" show, Seaton Carew, 11th June, 1964.
Published in the local Dartford press, 4th September, 1964, large box AC50 Foundation Bass sets being packed for the States - in terms of these exports, quick action. The "Million Dollar Deal" with Thomas Organ had been made only 10 days earlier at the Russell Hotel Trade Fair in late August.
Wembley, Rediffusion Studios - Vox equipment on show as prizes in the "Ready Steady Win" competition. The final took place on 17th September. Note the large box AC50s on early trolleys - identical to the trolleys used by John and George in Stockholm in late July 1964 - a single bar springing from the handwheel.
Detail from a JMI amplifiers brochure of August/September 1964: - the small box AC50 (four inputs, single channel) still on offer. The dimensions given for the amplifier section - 19 inches wide, etc - are those of the AC50 mark 1. The large box AC50 amplifier section is 21.5" wide. The speaker cabinet however is of the new type - 33 inches wide.
The AC50 mark 3
Early 1965 to mid 1967.
Twin channel AC50, solid state rectified, "large box". Schematic OS/072.
A typical early Mark 3 chassis - solid state rectified. Note the presence only of the two main power valves. Compare with the valve rectified chassis a little way up on this page.
The Mark 3 (III) is by far the most numerous type of AC50. Around 5000 amps were produced with solid state rectification in the JMI era (ie. up to the point when Vox/JMI folded in 1968) - a growing collection of known examples gathered together here and here. A good number were produced thereafter too, right through to 1976, with only minor differences from the principal schematic of 1965.
A few of these amps were fitted in the United States with reverb - an add-on unit produced by Thomas Organ - on which see this page. But for the most part production was consistent and pretty unvarying. Why change a good formula? AC50 mark 3s were fantastic workhorses.
Above, serial number 4018, solid state rectified, no brimistor = mid 1965. Note the reverb unit fitted on the shelf. Several of these AC50s survive.
Bill Haley and the Comets on stage in 1966 with two AC50s visible (and an AC30).
The AC50 mark 4
Mid 1967 to end of production.
Twin channel AC50, solid state rectified, "large box". Schematic OS/163.
During the course 1967, updated versions of the AC50 and AC100 were brought in - the AC50 mark 4, and the AC100/4. The principal changes in both models were an ECC83 valve in the input stage (where there had been an ECC82), the effect of which was to provide more gain; and doubled up filter capacitors in the power section to provide better protection against voltage surges. The circuit diagram (schematic) for the AC50 mark 4 is OS/163, dated April 1967. In terms of production, AC50s began to share many components with the new solid state range of amplifiers.
Serial numbers are in the 7000 and 8000 range. Around 400-500 AC50 mark 4s were produced before JMI ceased trading in the Spring of 1968.
A late AC50 (1967) - doubled up red CCL capacitors in the power section. CCLs were also used throughout the solid state range.
A detail of the preamp of the amp above. The red CCL capacitors, yellow Dubilier coupling capacitors, and miniature potentiometers are common also to the Vox solid state range of amps.















